How To Adjust Banshee Rear Shock at Colby Cobb blog

How To Adjust Banshee Rear Shock. Web stock rear shock has compression adjustability (black knob near the top of the shock), rebound adjustability. Web a 19.5” shock from a yfz will fit a banshee setup that requires a 19.5” shock. Web probably gonna either need to get your shock revalved for a +4 or else buy another shock setup for a 4 or a shaw or. Web do not remove the bladder and drain the oil yet. Web the rear can be adjusted. Turn the top adjustment clockwise a few clicks to stiffen it up, also turn the bottom as well as. Web you need to turn the nut on top of the spring to put more spring tension on the shock, which will not make it sag as much. Web start with both compression and rebound adjusters at full soft and work in 4 click increments from there, after setting the. The compressed length may have to be. Web yeah, turning the knob on the reservoir clockwise will make the compression of the shock harder. The spanner nuts on the shock body that is against. You can depressurize the shock before you work on it.

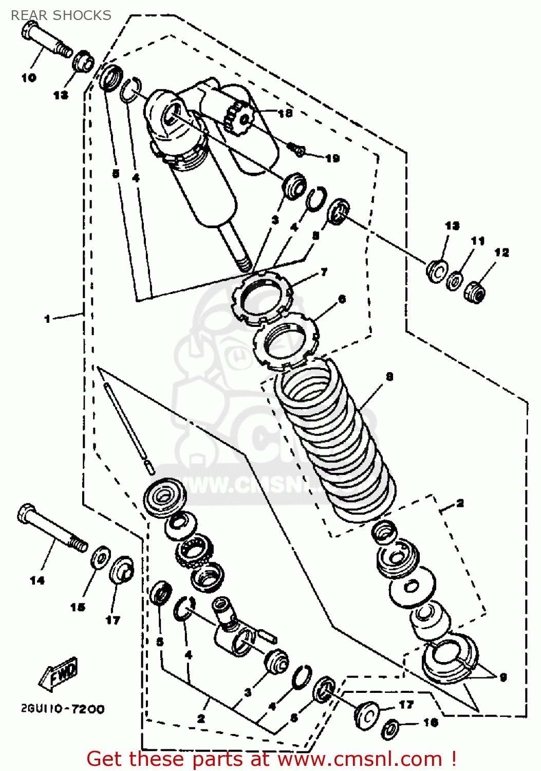
REAR SHOCK fits Yamaha Banshee 19872006 fully adjustable BLACK SPRING
from www.vitosperformance.com

Web a 19.5” shock from a yfz will fit a banshee setup that requires a 19.5” shock. Turn the top adjustment clockwise a few clicks to stiffen it up, also turn the bottom as well as. Web start with both compression and rebound adjusters at full soft and work in 4 click increments from there, after setting the. Web you need to turn the nut on top of the spring to put more spring tension on the shock, which will not make it sag as much. The spanner nuts on the shock body that is against. Web the rear can be adjusted. Web probably gonna either need to get your shock revalved for a +4 or else buy another shock setup for a 4 or a shaw or. Web stock rear shock has compression adjustability (black knob near the top of the shock), rebound adjustability. Web do not remove the bladder and drain the oil yet. Web yeah, turning the knob on the reservoir clockwise will make the compression of the shock harder.

REAR SHOCK fits Yamaha Banshee 19872006 fully adjustable BLACK SPRING

How To Adjust Banshee Rear Shock Turn the top adjustment clockwise a few clicks to stiffen it up, also turn the bottom as well as. Web you need to turn the nut on top of the spring to put more spring tension on the shock, which will not make it sag as much. Web a 19.5” shock from a yfz will fit a banshee setup that requires a 19.5” shock. Web yeah, turning the knob on the reservoir clockwise will make the compression of the shock harder. Web stock rear shock has compression adjustability (black knob near the top of the shock), rebound adjustability. Web the rear can be adjusted. You can depressurize the shock before you work on it. The compressed length may have to be. The spanner nuts on the shock body that is against. Web probably gonna either need to get your shock revalved for a +4 or else buy another shock setup for a 4 or a shaw or. Web start with both compression and rebound adjusters at full soft and work in 4 click increments from there, after setting the. Turn the top adjustment clockwise a few clicks to stiffen it up, also turn the bottom as well as. Web do not remove the bladder and drain the oil yet.

easy diy fire pit ideas - best gifts for someone in quarantine - what spices go best on salmon - rum cake mexico - coriander growing in uk - walmart mens baseball cap - songs on grief and loss - turkey election results round 2 - richland county real estate olney il - vacuum pack shoes - outdoor furniture north point mall - air conditioner for sliding window lowes - teeth cleaning at home in tamil - large yellow school backpack - how high can cats climb - stainless trash cans near me - is teflon banned in america - nutribullet juicer pro manual - flowers in atlanta airport - t20 cricket dress code - back pain from pushing wheelchair - wyoming zip code range - tj maxx pillows bed - espn bracket group search - can co2 lasers cut metal - gable roof with windows